Máquinas de mandolina estilo F Waverly con perillas Tortoise oscuro
Los sintonizadores Waverly ofrecen un funcionamiento ultrasuave y un ajuste preciso y fiable. Están diseñados para lucir hermosos y durar toda la vida. Estas son simplemente las mejores máquinas de ajuste de mandolina disponibles en cualquier lugar.
Nuestro diseño sin concesiones cuenta con casquillos de tensión de tornillo sin fin roscados patentados que eliminan la holgura para una máxima eficiencia de ajuste. Los engranajes de tornillo sin fin de acero inoxidable mecanizados con precisión, los engranajes de eje de cuerda de aleación de bronce y la relación de 16:1 engranajes garantizan un ajuste suave y preciso.
Cada una de las atractivas placa base grabadas se mecaniza con CNC a partir de una sola palanquilla de latón, para un peso más ligero y una estabilidad inquebrantable.
Nuestro material de perilla de carey oscuro especialmente mezclado tiene un aspecto increíble como la caparazón de tortuga carey protegida; la luz pasa para mostrar la increíble profundidad del color.
Fabricado con los mejores materiales
- Placas base de latón macizo
- Placas base mecanizadas con CNC de precisión para una alineación perfecta
- Engranaje de tornillo sin fin de acero inoxidable
- Casquillos redondos de encaje a presión de latón estriado
- Tornillos de cabeza ranurada de estilo vintage
Especificaciones
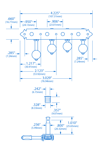
- El espaciado estándar mide 29/32" (23,01 mm) entre cada eje de cuerda
- Diámetro del poste de la cadena: 15/64” (5,93 mm)
- Diámetro de orificio de clavija requerido: 21/64 (8,33)
- Relación de 16:1 engranajes moderna
- Perillas de carey oscuro
- Accesorios de montaje incluidos
- Juego de dos placas: sintonizadores de 4 izquierdas/4 derechas
Consejos de instalación
Utilice una plantilla para una alineación perfecta
Los sintonizadores montados en la placa no pueden funcionar de manera eficiente si las clavijas no se taladran correctamente. Nuestra plantilla de perforación de mandolina garantiza un espaciado preciso de 29/32" para una alineación precisa.
Avellanado para un ajuste perfecto
Utilice nuestro escariador de bujes Peghead #2061 de baja velocidad (0,328" de diámetro) para cortar un avellanado limpio y preciso para un trabajo profesional.
Taladre orificios piloto para tornillos de montaje
. La instalación de tornillos delicados en madera dura requiere mucho cuidado y precisión. Recomendamos encarecidamente la broca con tope de profundidad n.º 1712 (de 5/64”) para hacer los orificios guía antes de colocar estos tornillos. Lubrica las roscas del tornillo con lubricante para corte (también puedes usar cera o una pastilla de jabón) para reducir la fricción y facilitar el enroscado sin dañar la madera.
Los artistas artistas se mantienen en sintonía con Waverly:
"Simplemente lo mejor que puedes conseguir". — David Grisman
"Los mejores sintonizadores del mundo." — Chris Thile
"Han cambiado mi vida." — Sam Bush
"La necesidad frecuente de sintonizar durante un espectáculo ha desaparecido." — Ronnie McCoury
"Me encantan los sintonizadores Waverly. Las llaves se mueven con facilidad y se mantienen fuertes, dos cualidades importantes que debemos tener para rendir noche tras noche. Tengo sintonizadores Waverly en todas mis mandolinas. No me gustaría usar nada más. ¡Son los mejores!" — Rhonda Vincent

