Golden Age Sintonizadores de restauración para guitarra de cabeza de estribo tragaperras - Bell-end
¡Los clavijeros de preguerra renacen! Nuestros 3-on-plate clavijeros replicados con placas base simples cortadas, producidos por Waverly desde el 20 hasta el 40s.
Cuentan con placas base de acero auténtico y perillas color crema, además de una relación de 15:1 transmisión para un mejor ajuste que los originales.
Golden Age Los clavijeros están disponibles exclusivamente en StewMac, fabricado con nuestro ojo experto para obtener detalles y especificaciones exactas.
"A las personas que construyen instrumentos replicados o que realizan trabajos de restauración o reparación les encantarán". —Frank Ford, experto en reparación de instrumentos antiguos
Golden Age clavijeros son el renacimiento de los populares diseños de máquinas de sintonización de principios del siglo XX, con placas de acero simples y engranajes abiertos. Durante mucho tiempo, coleccionistas y reparadores han buscado sustituciones para las guitarras más antiguas y mejorar su ajuste. Nuestras versiones especiales con acabado relic níquel complementan los herrajes vintage y añaden un aspecto auténtico a las guitarras de reproducción.
- 15:1 relación de cambio para un ajuste mejorado
- Soportes de tornillo sin fin remachados de estilo vintage
- Perillas de plástico color crema con forma original; clavijeros relic tienen perillas con acabado mate
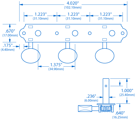
- Diámetro de la eje de cuerda de 0,236" (6,00 mm)
- Espaciado original de los tornillos de montaje (tornillos incluidos)
- Espaciado de eje de cuerda de 1-3/8" (34,93 mm)
- Acabados en níquel brillante, níquel relic o latón relic
También disponible para adaptarse a cabezas de clavija sólidas.
Nota: Los clavijeros en placa no pueden funcionar de manera eficiente si las orificios de clavijero están mal alineadas. Nuestra plantilla de taladro de sintonizador garantiza el espaciado correcto para un ajuste preciso
".Los sintonizadores Golden Age Restoration son realmente geniales. clavijeros Acabo de ponerlos en mi 1929 Gibson L-1. Me gusta el hecho de que alguien se haya esforzado por hacer que parezcan correctos". —John Evans, Bruselas Bélgica
"¡ clavijeros con el aspecto y la sensación adecuados! Lo único diferente de ellos es que son mejores y más funcionales". —Richard Barnes, Pomona CA
- Artículo #
- Peso
- 2514-N
- 0,2600 lb (0,12 kg)
- 2514-RB
- 0,2570 lb (0,12 kg)
- 2514-RN
- 0,2560 lb (0,12 kg)








