Sintonizadores de guitarra Waverly 3-On-Plate con perillas de madreperla para cabezas de estribo
Precisión moderna y estilo vintage para guitarras con cuerdas de acero ranurada . Durante décadas, clavijeros Waverly han sido el estándar por el que se miden todos los demás clavijeros . Experimente la estabilidad y el rendimiento de ajuste que se ha estado perdiendo.
Para obtener la máxima precisión de ajuste, nuestras 16:1 máquinas de precisión estilo placa cuentan con los mismos engranajes y bujes roscados patentados que se encuentran en todos los Waverly. Las eje de cuerda de latón se montan sobre placas base de latón pulido para una verdadera elegancia y estilo.
Cada placa base está mecanizado con precisión con CNC de latón macizo para una alineación perfecta en el cabezal. Estos platos grabados artísticamente envejecen hasta convertirse en una bonita pátina para ofrecer un aspecto y un tacto de calidad.
Diseño de reemplazo directo
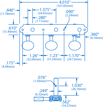
No es necesario taladrar orificios de montaje adicionales al reemplazar máquinas vintage similares en guitarras Martin, National y Dobro más antiguas. Consulte las dimensiones en las especificaciones para compararlas con los clavijeros del instrumento.
Canción tras canción de ajuste preciso
El diseño de la relación de 16:1 engranajes incluye nuestros bujes roscados patentados para eliminar la holgura y lograr un funcionamiento increíblemente suave. Juegas en sintonía y te mantienes en sintonía.
Larga vida útil con menos desgaste
Los engranajes de tornillo sin fin de acero inoxidable tienen casquillos dobles para una vida sin igual año tras año. Los engranes de eje de cuerda están mecanizado aleación de bronce, que es mucho más duradero que el latón. Los ejes de cuerda de latón tienen un diámetro de 1/4" con un espaciado de 1-3/8" (34,93 mm).
Los botones de nácar auténtico tienen una iridiscencia, brillo y figura naturales que destacan de las imitaciones de plástico. El juego de sintonizador incluye tornillos de montaje ranurada de cabeza redonda.
Fabricado con los mejores materiales
- Placas base de latón macizo pulido
- Placas base mecanizado con CNC de precisión para una alineación perfecta
- Engranaje de tornillo sin fin de acero inoxidable
- Casquillos de engranaje de tornillo sin fin de nailon para un tacto más suave
- Engranaje de eje de cuerda de aleación de bronce mecanizado
- Latón mecanizado 1/4" eje de cuerda s
- Tornillos de cabeza ranurada de estilo vintage
Especificaciones
- Relación de 16:1 engranajes moderna
- Perillas de nácar
- eje de cuerda de 1/4" con espaciado de 1-3/8" (34,93 mm)
- Accesorios de montaje incluidos
- Juego de dos placas: 3 izquierda/3 derecha clavijeros
Consejos de instalación
Perfore orificios piloto para tornillos de montaje:
Instalar tornillos delicados en madera dura requiere mucho cuidado y precisión. Recomendamos encarecidamente la broca con tope de profundidad n.º 1712 (de 5/64”) para hacer los orificios guía antes de colocar estos tornillos. Lubrica las roscas del tornillo con lubricante para corte (también puedes usar cera o una pastilla de jabón) para reducir la fricción y facilitar el enroscado sin dañar la madera.
Clavijas de afinación Waverly: la elección de los fabricantes de guitarras más famosos
| Altman Bear Creek Beard Bedell Guitars Borges Bourgeois Breedlove Buscarino Collings Franks Froggy Bottom Galloup Gibson Goodall |
Hooper Huss & Dalton Kallenbach Knaggs Ko'olau Kopp Larrivée Lewis Lucas Maingard Martin Merrill National |
Paul Reed Smith Proulx Rockbridge RoZaWood Sams Santa Cruz Schaefer Schoenberg Sexauer Skipper Steinegger Tippin Webber |
“Mantienen la afinación y son superelegantes… por supuesto que recomiendo Waverly”. —Dick Boak, Martin Guitars
“Nuestras clavijas favoritas”. —Collings Guitars
“Las mejores clavijas de afinación del mercado”. —Tony Rice
“Quienes usan clavijas de peor calidad se están complicando la vida”. —Jorma Kaukonen
“Volver a afinar rápida y precisamente sobre el escenario o en el estudio ya no es un problema. Y, por fin, las clavijas son tan elegantes como el instrumento. ¿Qué hacíamos antes de que hubiera clavijas Waverly?" —Steve James, Austin TX
“Afinación rápida en el escenario o en el estudio de grabación… suaves de accionar y con buen peso”. —Herb Pedersen
“Funcionan tan bien como lucen. ¡Lo mejor de lo mejor!” —Jim Merrill, Merrill Guitars
Simplemente las mejores clavijas que hay para guitarras acústicas, no usaría ninguna otra”. —Dakota Dave Hull
“¡Es como ponerle un Rolex a tu guitarra!” —M.J. Franks Guitars
-
- Artículo #
- Peso
-
- 3523-BR
- 0,25 kg (0,570 lb)


