Golden Age Sintonizadores de restauración para Mandolina Estilo A
¡El look de los primeros 00 renace! Sustituciones muy esperadas para los clavijeros estilo A utilizados por Gibson y otros fabricantes desde el 10 hasta el 1925.
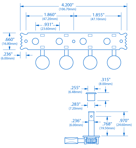
La configuración de "engranaje de tornillo sin fin bajo eje de cuerda" y el espaciado de postes vintage más ancho es ideal para restaurar mandolinas antiguas y mejorar su ajuste, y para hacer que los instrumentos de réplica modernos sean más auténticos. Nuestra versión con acabado de níquel relic tiene el aspecto perfecto para complementar los herrajes vintage.“A las personas que construyen instrumentos réplica o que realizan trabajos de restauración o reparación les van a encantar”.
—Frank Ford, experto en reparación de instrumentos antiguos
¡Nota especial sobre la espaciado de cuerdas! Estos clavijeros cuentan con un espaciado de eje de cuerda de 0,931" históricamente correcto (10-1925). Esto es más ancho que el espaciado estándar de 0,906" (29/32"). Mida el espaciado de eje de cuerda de su mandolina antes de realizar el pedido.
Las placas base de acero presentan la forma original de los primeros 00 , "rayas de banda de rodadura" incisadas y soportes de tornillo sin fin cuadrados remachados de estilo vintage.
Cada conjunto incluye:
• Par de 4 a la izquierda, 4 a la derecha clavijeros
• Casquillos de pala a presión
• 20-style tornillos de montaje
| Relación de engranajes | 15:1 |
| Diámetro del casquillo | 0,283" (7,19 mm) |
| Diámetro del poste de la cadena | 0,236" (6mm) |
| Espaciado entre postes de cadena | Principios de 20 0,931" (23,65 mm) |
Estos clavijeros tienen un espaciado especial para Gibson vintage y otras marcas antes de la Segunda Guerra Mundial. Tenga en cuenta que nuestro espaciado estándar plantilla de perforación no alineará los orificios precisos para estos clavijeros.
Consejos de instalación
Tornillos de montaje: Se requieren orificios guía. Instalar tornillos delicados en maderas duras requiere mucho cuidado y precisión. Recomendamos encarecidamente la broca con tope de profundidad n.º 1714 (de 3/32”) para hacer los orificios guía antes de colocar estos tornillos. Lubrica las roscas del tornillo con lubricante para corte (también puedes usar cera o una pastilla de jabón) para reducir la fricción y facilitar el enroscado sin dañar la madera.
- Artículo #
- Peso
- 2505
- 0,3100 lb (0,14 kg)
- 2505-N
- 0,3160 lb (0,14 kg)
- 2506
- 0,3160 lb (0,14 kg)
- 2523-B
- 0,315 lb (0,14 kg)








