Humbucker de Golden Age Parsons Street
Diagramas de cableado y códigos de color para las camionetas Golden Age Parsons Street Humbucking.
Cableado de dos humbuckers
(50s Les Paul®)
Cuando se utiliza un cable coaxial blindado, la trenza exterior está conectada a tierra. El cable interior es el conductor caliente que transporta la señal.
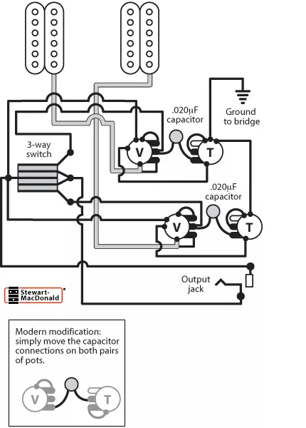
Cableado de control de volumen alternativo: puede cablear ambos controles de volumen de un Les Paul (o cualquier otro instrumento de control de volumen doble) para que pueda mezclar el volumen de las tomas de forma independiente. Esto resuelve el problema en la posición central del interruptor selector, donde el hecho de bajar un control de volumen afecta a ambas tomas.
Ajuste
de la altura de la pastilla Para los humbuckers, debe haber un espacio de aproximadamente 3/32" entre la parte superior de la pieza polar de E bajo y la parte inferior de la cuerda de E bajo con fret en el traste más alto (21o o 22o), y de aproximadamente 1/16" para la pieza polar de E alto. Los humbuckers normalmente se pueden ajustar más cerca de las cuerdas que las bobinas individuales, ya que no tienen tanta tracción magnética enfocada. Experimente con la altura del puente y las pastillas de mástil para encontrar el mejor equilibrio en la producción y el mejor tono.
