Métrico selector toggle de 3 posiciones
Instrucciones de instalación y cableado para el selector toggle de 3 posiciones, incluidos diagramas para Les Paul, SG, Jimmy Page Les Paul y otras guitarras de 2 pastilla.
Este interruptor de 3 posiciones bipolares se utiliza comúnmente para las guitarras Les Paul® y otras guitarras de 2 pastilla.
Notas sobre el cableado
Reduzca el ruido eléctrico no deseado utilizando un cable coaxial blindado para los tendidos de cableado más largos (por ejemplo, la conexión entre los controles y la jack de salida). El cable coaxial contiene un conductor "caliente" central que está blindado por una trenza exterior utilizada para el cable de tierra.
Para conexiones cortas entre componentes, utilice un cable estándar sin blindaje. Normalmente, el cable blanco se utiliza para caliente y negro para conexión a tierra al puente.
Acerca de nuestros kits Los kits de cableado
Stewart-MacDonald contienen cable no blindado blanco y negro, además de cable coaxial blindado. Se incluye un cable negro adicional para conectar una conexión a tierra al puente.
#1802 Kit de cableado kit para guitarra de dos pastilla ![]()
Este diagrama de cableado es adecuado para cualquier guitarra de dos pastilla con humbuckers, bobinas individuales o una combinación de ambas (volumen maestro, tono maestro).
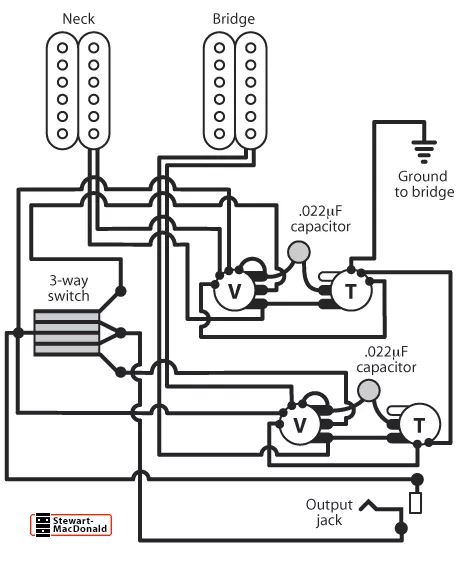
#0133 Kit de cableado Les Paul kit y kits de cableado n.o 0125 SG Cableado de control de volumen ![]()

alternativo
Puede cablear ambos controles de volumen de un Les Paul (o cualquier otro instrumento de control de volumen doble) para que pueda mezclar el volumen de las tomas de forma independiente. Esto resuelve el problema en la posición central del interruptor selector, en el que al bajar un control de volumen se afectan ambas tomas.
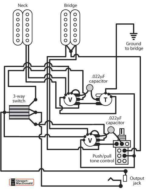
#0126 Kit de cableado kit![]()
JPLPEl kit de cableado JPLP (Jimmy Page Les Paul) le permite cortar en bobina la pastilla de puente mediante un control del tono de push-pull. La otra característica del cableado JPLP es que en la posición central del selector de pastilla, la pastilla de puente está fuera de fase con la pastilla de mástil.
En esta configuración, el humbucker de puente no puede ser una pastilla de 2 conductores. La pastilla debe tener cables conductores 3 o 4 , además de un cable blindado o desnudo. Siga las especificaciones del fabricante de su pastilla y conecte el enlace en serie (corte con bobina) al potenciómetro push-pull como se muestra en el diagrama. Conecte el cable desnudo y el cable "caliente" típico a tierra (normalmente la parte posterior del potenciómetro de volumen). A continuación, conecte el cable de tierra típico a la orejeta de entrada del control de volumen de la pastilla de puente. Esto debería darte un sonido fuera de fase en la posición central. Si no es así, simplemente invierta los cables calientes y de tierra de la pastilla de puente.
