Selector toggle de 3 posiciones Switchcraft
Instrucciones de instalación y cableado del interruptor Toggle 3 posiciones .
El selector Switchcraft de doble polo 3 posiciones ha sido el estándar en Gibson® y otras guitarras americanas de 2 pastilla .
Notas sobre el cableado
Reduzca el ruido eléctrico no deseado utilizando un cable coaxial apantallado para los tendidos de cableado más largos (por ejemplo, la conexión entre los controles y la jack de salida). El cable coaxial contiene un conductor "caliente" central que está apantallado por una trenza exterior utilizada para el cable de tierra.
Para conexiones cortas entre componentes, utilice un cable estándar sin apantallado . Normalmente, el cable blanco se utiliza para caliente y el negro para conexión a tierra al puente.
Acerca de nuestros kits
Los kits de cableado Stewart-MacDonald contienen cable no apantallado blanco y negro, además de cable coaxial apantallado . Se incluye un cable negro adicional para conectar una conexión a tierra al puente.
#2193 Los kits de cableado del kit de cableado de inserción-extracción Gibson® Les Paul®
con potenciómetros de push-pull CTS dividen las bobinas de los humbuckers para el funcionamiento Single-Coil bobina al cablear su Gibson® Les Paul® o SG®. Son para recogidas de humbucking con acceso de enlace en serie ( cable 3 , cable 5 , etc.).
#2194 Kit de cableado de empuje-tracción Gibson® SG®
Los kits de cableado con potenciómetros push-pull CTS dividen las bobinas de los humbuckers para el funcionamiento Single-Coil al cablear su Gibson® Les Paul® o SG®. Son para recogidas de humbucking con acceso de enlace en serie ( cable 3 , cable 5 , etc.).
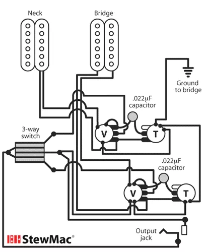
Kits de cableado Gibson® Les Paul® n.o 2133 , Les Paul Special® n.o 2133-SP y SG® n.o 2134
Cableado de control de volumen alternativo
Puede cable ambos controles de volumen de un Les Paul (o cualquier otro instrumento de control de volumen doble) para que pueda mezclar el volumen de los recogedores de forma independiente. Esto resuelve el problema en la posición central del selector selector, en el que el hecho de bajar un control de volumen afecta a ambas tomas.
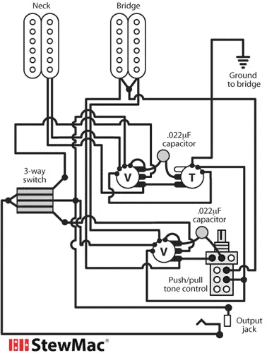
Gibson® Jimmy Page Les Paul® Diagrama de cableado
Esta opción de cableado JPLP le permite cortar la bobina del pastilla del puente mediante un control de tono de push-pull . La otra característica del cableado JPLP es que en la posición central del selector de pastilla , la pastilla del puente está fuera de fase con la pastilla del mástil .
En esta configuración, el humbucker del puente no puede ser un pastilla de 2 conductores. El pastilla debe tener 3 o 4 conductores, además de un blindaje o cable desnudo. Siga las especificaciones del fabricante de la pastilla y cable el enlace en serie (corte con bobina) al recipiente push-pull como se muestra en el diagrama. Conecte el cable desnudo y el cable "caliente" típico a tierra (normalmente la parte posterior del recipiente de volumen). A continuación, cable el cable de tierra típico a la orejeta de entrada del control de volumen del pastilla del puente. Esto debería proporcionar un sonido fuera de fase en la posición central. Si no es así, simplemente invierta los cables calientes y de masa del pastilla del puente.
#2136 Kit de cableado para guitarra de 2-Pickup
Este diagrama de cableado es adecuado para cualquierpastilla guitarra de dos piezas con humbuckers, bobinas individuales o una combinación de ambas (volumen maestro, tono maestro).
